-
Koszyk jest pusty
-
x
Do bezpłatnej dostawy brakuje
-,--
Darmowa dostawa!
Suma
0,00 zł
Cena uwzględnia rabaty
Darmowa dostawa od 45zł do paczkomatu InPost i ORLEN, lub od 65zł z dostawą pod drzwi.
Wysyłka nawet w 24h!
0,00 zł
0
Koszyk
-
Koszyk jest pusty
-
x
Do bezpłatnej dostawy brakuje
-,--
Darmowa dostawa!
Suma
0,00 zł
Cena uwzględnia rabaty
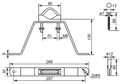
OBEJMA MUROWA OMM-50L13
Symbol:
5051
| Wpisz swój e-mail |
| Opinie | |
| Wysyłka w ciągu | 24 godziny |
| Cena przesyłki | 0 |
| Dostępność |
|
| Waga | 0.7 kg |
| Kod kreskowy | |
| EAN | 5902887014468 |
OBEJMA MUROWA OMM-50L13
Model: E8533
NAJWAŻNIEJSZE CECHY
Obejma murowa służy do zamocowania masztów antenowych do muru.
- Maksymalna średnica rury: 50 mm
- Odległość muru od rury: 130 mm
- Mocowanie bazy na 4 kołki
- Średnica otworu na kołek: 8 mm